MiBoxer SPI-PA+: 4-kanálový zesilovač a přijímač SPI signálu (až 100 m)
Kód: NL886Detailní popis produktu
MiBoxer SPI-PA+: Maximální stabilita pro rozsáhlé digitální LED instalace
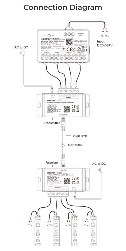
Sada SPI-PA+ (skládající se z vysílače SPI-PATX a přijímače SPI-PARX) je nezbytným prvkem pro každou komplexní instalaci adresovatelných LED pásků, kde ovladač a LED pásky dělí velká vzdálenost. Zařízení převádí standardní SPI signál na odolný protokol RS485, který je následně přenášen přes UTP kabel, a na konci jej opět převádí na čistý SPI signál pro LED čipy.
Klíčové vlastnosti a výhody:
- Extrémní dosah 100 metrů: Umožňuje umístit hlavní ovladač (např. ESP32, WLED nebo MiBoxer) do technické místnosti, zatímco LED pásky jsou instalovány o desítky metrů dále.
- 4 nezávislé kanály: Podporuje paralelní přenos signálu do 4 samostatných větví současně, přičemž každý kanál disponuje nezávislým zesílením pro maximální stabilitu.
- Přenos bez ztráty rámců: Pokročilé stínění a RS485 technologie eliminují blikání nebo zpoždění (lagy) způsobené rušením signálu.
- Univerzální kompatibilita: Plně kompatibilní se všemi běžnými SPI ovladači na trhu a širokou škálou čipů (např. WS2811, WS2812B, SK6812 atd.).
- Snadná instalace: Pro propojení vysílače a přijímače se využívá běžný síťový kabel Cat6/Cat6a s konektory RJ45, což výrazně zjednodušuje montáž.
- Široký rozsah napětí: Podpora 5V, 12V i 24V DC umožňuje integraci do různých typů osvětlovacích systémů.
Ideální využití: Venkovní fasádní osvětlení, reklamní LED billboardy, velkoplošné světelné instalace v halách nebo chytré domácnosti s centrálním řízením osvětlení.
Technické parametry:
- Model: SPI-PA+ (Set vysílače a přijímače)
- Provozní napětí: 5V–24V DC
- Vstupní signál: SPI (TTL)
- Výstupní signál: 4-kanálový SPI (TTL)
- Způsob přenosu: RS485 přes Cat6 UTP kabel
- Max. vzdálenost: 100 metrů
- Pracovní teplota: -10 °C až 40 °C
- Stupeň krytí: IP20 (vhodné pro suché prostory)



Doplňkové parametry
| Kategorie: | Pro Digitální Pixel LED |
|---|---|
| Záruka: | 5 let |
| Napájecí napětí: | 5 - 24 VDC |
| Výrobce: | MiBoxer |
Buďte první, kdo napíše příspěvek k této položce.
Pouze registrovaní uživatelé mohou vkládat hodnocení. Prosím přihlaste se nebo se registrujte.
Buďte první, kdo napíše příspěvek k této položce.
